¹Ýºà¥Ü¥¤¥É´ÉÅڤΤ¦Âޥ֥롼¥·¡¼¥È¥¤¥Î¥·¥·Âкö¥¨¥é¥¹¥¿¥¤¥È¥±¥ó¥¿¥¤¥È¥¹¥ï¥¿¥¤¥È¥»¡¼¥Õ¥¿¥¤¥È¥¨¥­¥¹¥Ñ¥ó¥¿¥¤¥Ñ¥é¥Õ¥©¡¼¥àÈ´¤­·¿ÏÈÀ¸¥³¥ó¥·¥å¡¼¥ÈÏ©È×»æ¥×¥é¥ì¥Ù¥ë¥­¥å¥¢¥Þ¥Ã¥È±ö²½¥«¥ë¥·¥¦¥à»ß¿åÈÄ¥Û¡¼¥¹Àг¥´Ý¥»¥Ñ£Í£Á£Ø¥¦¥¨¥Ö¥ì¥ó·¿ÏÈÄùÉÕ¶â¶ñ¥ï¥¤¥ä¡¼¥á¥Ã¥·¥åÅ´ÀþÅ´¶ÚÅ´¶Ú¡Ê¥á¥Ã¥­¡Ë¥¹¥×¥ì¥ä¡¼ÌÌÌÚ¡¦ÌÜÃÏËÀ¥³¥ó¥Ñ¥ÍµÍÀò£Ë£Ã¥Õ¥©¡¼¥à²¾ÏÈ¥¢¥ó¥«¡¼¥Ñ¥¤¥×¥µ¥Ý¡¼¥È¥Ý¥ê¥Ð¥¿¼õ¤±¥¹¥Ú¡¼¥µ¡¼·ë«Àþ¥Ñ¥¤¥ë¥­¥ã¥Ã¥×±ö¥Ó´É±ö¥Ó´É·Ñ¼ê¥Í¥È¥í¥ó¥Ñ¥¤¥×&·Ñ¼ê¥ë¡¼¥Õ¥É¥ì¥ó¥·¥¹¥Æ¥à¥É¥ì¥ó¼ùÌÚÊݸ£Î£Ë¥Õ¥£¥ë¥¿¡¼¥°¥Ã¥É¥Û¡¼¥à¥Ü¥Ã¥¯¥¹¥Û¡¼¥¹¥Ð¥ó¥ÉÇ۴ɻٻý¶â¶ñÎàËɽåͥåȼèÉÕ¶âʪ³Ñ¥Ü¥¤¥É¥³¥ó¥Æ¥Ê¥Ð¥Ã¥¯¥±¥ß¥«¥ë¥¢¥ó¥«¡¼¥ë¡¼¥Æ¥£¥¢¥ó¥«¡¼¥Þ¥°¥Í¥Ã¥È¥·¡¼¥È¹Â³¸¥­¥ã¥Ã¥×¥Þ¥ó¥¬ÈÄ¡¦°ÂÁ´É¸¼±¥È¥é¥í¡¼¥×´ú¼Ö»ß¤á¥ª¥¤¥ë¡¦±ÕÂεۼýºà¥ï¥¤¥ä¡¼¥í¡¼¥×¥³¥ó¥Ù¥Ã¥¯¥¹£Ì£Å£Ä³ÈÂç¶À¥Ï¥È¥áËɺҡ¦ÈòÆñÍÑÉÊ·ÈÂÓ¹õÈĤ¯¤¤´Ý¡Ê¹Ý´É¤¯¤¤¡Ë¥°¥ì¡¼¥Á¥ó¥°´¹µ¤Éôºà¥«¥Ã¥Æ¥£¥ó¥°¥·¡¼¥ëÄß¶â¶ñ¥Õ¥í¥¢¡¼¥Ï¥Ã¥Á¿åÈ´¤­¥Ñ¥Ã¥È¥Ï¥¤¥Ñ¥Ã¥«¡¼º­Êñ»ñºàɸ¼±¡¦´ÇÈÄ¥¨¥¯¥¹¥Æ¥ê¥¢ÆüÍÑÉÊ¥¬¡¼¥Ç¥Ë¥ó¥°¥ª¥Õ¥£¥¹ÍÑÉÊ¥¢¥ë¥ßÊ£¹çÈijƼ參¥Ã¥ÈÈÎÇ侦ÉʥΡ¼¥Ö¥ì¥ó¥¹¥Æ¥Ã¥×·ë«¥Ð¥ó¥É

¥« ¥Æ ¥´ ¥ê ¡¼
¥·¥ç¥Ã¥Ô¥ó¥°¥«¡¼¥È¤ò¸«¤ë

¥«¥ì¥ó¥À¡¼

2026ǯ1·î
Æü ·î ²Ð ¿å ÌÚ ¶â ÅÚ
1 2 3
4 5 6 7 8 9 10
11 12 13 14 15 16 17
18 19 20 21 22 23 24
25 26 27 28 29 30 31
2026ǯ2·î
Æü ·î ²Ð ¿å ÌÚ ¶â ÅÚ
1 2 3 4 5 6 7
8 9 10 11 12 13 14
15 16 17 18 19 20 21
22 23 24 25 26 27 28

¢£µÙ¶ÈÆü



¥·¥ç¥Ã¥×¾Ò²ð
¤¤¤é¤Ã¤·¤ã¤¤¤Þ¤»¡Á¡ª
¤´ÍèŹÀ¿¤Ë¤¢¤ê¤¬¤È¤¦¤´¤¶¤¤¤Þ¤¹¡£¤´¼ÁÌ䤬¤´¤¶¤¤¤Þ¤·¤¿¤é¡¢±óθ¤Ê¤¯¤ªÌ䤤¹ç¤ï¤»¤¯¤À¤µ¤¤¡£
¥Ð¡¼¥³¡¼¥É
rss atom
¥Û¡¼¥à ¡ä ¹Ýºà(¥«¥Ã¥ÈÈÎÇä¡Ë
¥Û¡¼¥à ¡ä ¹Ýºà(¥«¥Ã¥ÈÈÎÇä)
¥Û¡¼¥à ¡ä ¹Ýºà(¥«¥Ã¥ÈÈÎÇä) ¡ä ¹Â·¿¹Ý¡Ê¥Á¥ã¥ó¥Í¥ë¡Ë
¥Û¡¼¥à ¡ä ¹Ýºà(¥«¥Ã¥ÈÈÎÇä) ¡ä ¹Â·¿¹Ý¡Ê¥Á¥ã¥ó¥Í¥ë¡Ë ¡ä ¹Â·¿¹Ý
¥Á¥ã¥ó¥Í¥ë
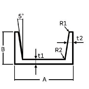
250¡ß90¡ß9¡ß13
(mm)
¹Â·¿¹Ý
(¥Á¥ã¥ó¥Í¥ë)
250¡ß90¡ß9¡ß13
(mm­Àñ°Ì)
255mm¡Á300mm
¥«¥Ã¥ÈÈÎÇä


¹Â·¿¹Ý¡Ê¥Á¥ã¥ó¥Í¥ë¡Ë
(ÉýA¡ßÉýB¡ß¸ü¤ßt1¡ß¸ü¤ßt2)=250mm¡ß90mm¡ß9mm¡ß13mm
Ťµ¡§°ìÍ÷¤«¤é¤ªÁª¤Ó¤¯¤À¤µ¤¤¡Ê255mm¡Á300mm)

¢¨Ä¹¤µ¤Ï¡Ömm¡Ê¥ß¥ê¡Ëñ°Ì¡×¤Ç¤¹¤Î¤Ç¤´Ãí°Õ¤¯¤À¤µ¤¤
¢¨Ã¼ºà¤Ï¤ªÁ÷¤ê¤Ç¤­¤Þ¤»¤ó¤Î¤Ç¤´Î»¾µ¤¯¤À¤µ¤¤¡£
¢¨¥«¥Ã¥È¾¦ÉʤÏÊÖÉʤǤ­¤Þ¤»¤ó¤Î¤Ç¤´Î»¾µ¤¯¤À¤µ¤¤¡£
¢¨Ä¹¤µ¤Ï¡Þ2mmÄøÅÙ¤Î¸íº¹½Ð¤ë¤³¤È¤¬¤¢¤ê¤Þ¤¹¡£

¾¦ÉÊÀâÌÀ
¢¨²èÁü¤ÏƱ¤¸¥·¥ê¡¼¥º¤ÇƱ°ì²èÁü¤ò¶¦Ä̤ǻÈÍѤ·¤Æ¤¤¤ë¾ì¹ç¤¬¤¢¤ë¤¿¤á
¡¡²èÁü¤È¼ÂºÝ¤Î¾¦ÉÊ¥µ¥¤¥º¤¬°Û¤Ê¤ë¤³¤È¤¬¤¢¤ê¤Þ¤¹¡£
¢¨¤³¤Î¾¦ÉʤΡ¡»î¸³À®ÀÓɽ¡¢¥«¥¿¥í¥°¡¢»ÈÍѾµÇ§´ê¤¤¡¢
¡¡½Ð²Ù¾ÚÌÀ½ñ¤Ê¤É¤Î½ñÎà¤ÎɬÍפʾì¹ç¤Ï¡¢¤ªÃΤ餻¤¯¤À¤µ¤¤¡£

(ÍÑÅÓ)
¡¦Å´¹ü¤¤Î´ðÁÃÉôʬ
¡¦¥³¥ó¥¯¥ê¡¼¥È¤ä¥â¥ë¥¿¥ëÀ½¤Î·ú¤ʪ¤ä¹½Â¤Êª¤Ë
¡¦¤½¤Î¾¡¢ÍÍ¡¹¤ÊÍÑÅӤ˻ÈÍѽÐÍè¤Þ¤¹¡£

[ÊÝ´ÉÊýË¡¡¦¼è¤ê°·¤¤¾å¤ÎÃí°ÕÅÀ]
¡¦»¬¤Ë¼å¤¤ÁǺà¤Î°Ù¡¢¼¾Å٤ι⤤¾ì½ê¤Ê¤É»¬¤Î¸¶°ø¤È¤Ê¤ë¾ì½ê¤Ç¤Î
ÊݴɤˤϽ½Ê¬¤ËÃí°Õ¤·¤Æ¤¯¤À¤µ¤¤¡£
¡¦Å¥¤ä±ø¤ì¤òËɤ°¤¿¤á¡¢Ä¾ÀÜÃÏÌ̤ËÀÜÃϤµ¤»¤Ê¤¤¤è¤¦¤Ë
ÌÚºà¤Ê¤É¤òÉߤ¤¤ÆÊݴɤ·¤Æ¤¯¤À¤µ¤¤¡£
¡¦¶Ê¤¬¤ê¤äÊÑ·Á¤¬µ¯¤­¤Ê¤¤¤è¤¦¤Ë«¤Í¤Æ¤ÎÊݴɤò¤ª´«¤á¤·¤Þ¤¹¡£

Ťµ¤ò255mm¡Á300mm¤Î´Ö¤Ç»ØÄꤷ¤Æ¤¯¤À¤µ¤¤¡£Ä¹¤µ¤Ï¥ß¥êñ°Ì¤Ç¤¹¡£


¢¨¤ªÆÏ¤±À褬ˡ¿ÍÍÍ¡¢¸Ä¿Í»ö¶È¼çÍͤξì¹ç¤Ï
¤´Ãíʸ»þ¤Ë²ñ¼Ò̾¤Þ¤¿¤Ï²°¹æ¤ò¤ªÃΤ餻¤¯¤À¤µ¤¤¡£

¢¨º­Êñ¸å¤Î¤ª²Ùʪ¤Î½Ä²£¹â¤µ¤Î¹ç·×¤¬130cm°Ê¾å¤Î¾ì¹ç¤Ç¡¢
¡Ê¤Þ¤¿¤Ï¤ª²Ùʪ¤Î½Å¤µ¤¬20Kg°Ê¾å¡Ë
¤ªÆÏ¤±À褬¸Ä¿ÍÍÍ¡¢Ë̳¤Æ»¡¢²­Æì¸©¡¢Î¥Åç¡¢
Ãæ·ÑÃϰè¤Î¤¤¤º¤ì¤«¤Î¾ì¹ç¡¢Ä̾ïÁ÷ÎÁ¤È¤ÏÊÌÅÓ¡¢
ÄɲÃÁ÷ÎÁ¤¬¤«¤«¤ê¤Þ¤¹¤Î¤Ç¤´Î»¾µ¤¯¤À¤µ¤¤¡£

¢¨Âç·¿¤Î¤ª²Ùʪ¤Ï¤ªÆÏ¤±Àè¤ä¥µ¥¤¥º¤Ë¤è¤Ã¤Æ¤Ï
ÇÛÁ÷¤¬¤Ç¤­¤Ê¤¤¾ì¹ç¤â¤´¤¶¤¤¤Þ¤¹¤Î¤Ç
¤´Î»¾µ¤¯¤À¤µ¤¤¡£

¹Â·¿¹Ý
(¥Á¥ã¥ó¥Í¥ë)
250¡ß90¡ß9¡ß13
(mm­Àñ°Ì)
255mm¡Á300mm
¥«¥Ã¥ÈÈÎÇä
ÈÎÇä²Á³Ê

6,657±ß(Àǹþ)

¹ØÆþ¿ô
Ťµ(¥ß¥ê)

ºÇ¶á¥Á¥§¥Ã¥¯¤·¤¿¾¦ÉÊ

70±ß(Àǹþ)





Copyright (C) 2018 work parts. All Rights Reserved.

¤³¤Á¤é¤Î¾¦Éʤ¬
¥«¡¼¥È¤ËÆþ¤ê¤Þ¤·¤¿

¹Â·¿¹Ý<br> (¥Á¥ã¥ó¥Í¥ë)<br>250¡ß90¡ß9¡ß13<br>(mm­Àñ°Ì)<br>255mm¡Á300mm<br>¥«¥Ã¥ÈÈÎÇä

¹Â·¿¹Ý
(¥Á¥ã¥ó¥Í¥ë)
250¡ß90¡ß9¡ß13
(mm­Àñ°Ì)
255mm¡Á300mm
¥«¥Ã¥ÈÈÎÇä

¤«¤´¤ÎÃæ¿È¤ò¸«¤ë

¤Þ¤¿¤Ï¡¢º£¤¹¤°¹ØÆþ

Amazon Pay¤Ç·èºÑÃæ¤Ç¤¹¡£

¤½¤Î¤Þ¤Þ¤ªÂÔ¤Á¤¯¤À¤µ¤¤¡£
·èºÑ¤¬´°Î»¤¹¤ë¤È¡¢¼«Æ°¤Ç²èÌ̤¬ÀÚ¤êÂØ¤ï¤ê¤Þ¤¹¡£